阿里巴巴 | 新浪微博 | 腾讯微博 | 收藏本站 | 在线留言 | 网站地图

您好,欢迎来到深圳市蒲江机电有限公司官网

深圳市蒲江机电有限公司

蒲江机电 机械传动供应商国内传动领域16年 为您提供一站式解决方案

全国咨询热线:400-0838-618

联系蒲江Contact

全国咨询热线:400-0838-618

传真号码:0755-86171515

QQ:1745396019

邮箱:tangxiaobing@szpu
jiang.com

地址:深圳市南山区南山大
道1008号

FABZ行星减速机

  • 产品型号:FABZ115-25-P1-伺服电机
  • 额定功率:1500W
  • 减速比:1:25
  • 固定方式:法兰型
  • 电机级数:4P
1、行星减速机以其体积小、承受扭力大、传动效率高,减速范围宽,精度高,而被广泛应用于伺服、步进、直流等传动系统中,因此也被某些用户称为伺服斜齿轮减速机。
2、高扭矩、低背隙以及运转安静是金蒲江JPJ行星减速机的三大设计特点。
3、行星减速机在保证精密传动的前提下,主要被用来降低转速,增大扭矩和降低负载电机的转动惯量比。
应用场合:应用于伺服、步进、直流等传动系统中,例如机床和制造系统、食品和包装机械、木材加工机械、印刷机和造纸机、机器人技术、自动化技术和机械手技术等。
使用环境:室内
安装方式:轴端面固定
订购热线:400-0838-618
立即采购
  • 产品型号:FABZ115-25-P1-伺服电机
  • 额定功率:1500W
  • 减速比:1:25
  • 固定方式:法兰型
  • 电机级数:4P

FABZ行星减速机产品特点

FABZ行星减速机样机展示图

1、低噪音:低于65dB

2、低背隙:单段行星减速机低于7弧分,可选择3弧分规格;双段行星减速机在9弧分以内。

3、效率:单段式行星减速机效率可达97%以上,双段式减速机可达94%以上。

4、高输入转速:可达5000RPM,5、高扭矩:比一般正齿轮行星减速机扭矩高。

6、高稳定性:采用高强度合金钢材,整颗齿轮经硬化处理(不只是表面),确保减速机使用的寿命及长期使用仍能保持原始的精密度。

7、高减速比:行星减速机采用模组化设计,行星齿轮可相互组合连接,速比可达10000以上。

FABZ行星减速机产品说明

FABZ行星精密减速机型号说明

FABZ行星精密减速机马达安装说明

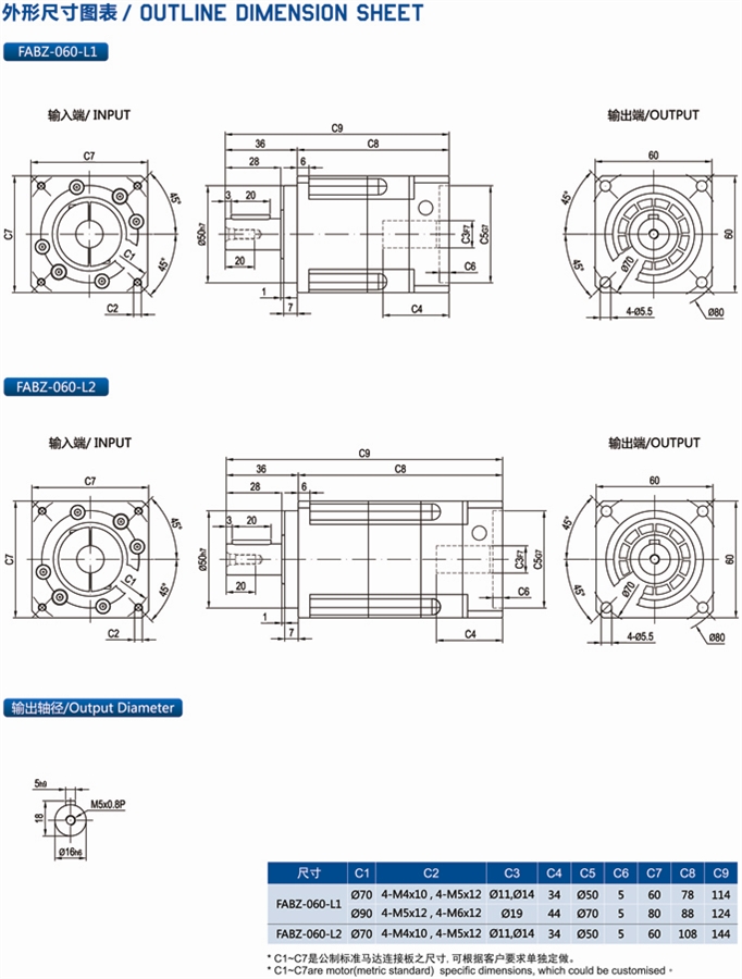
FABZ060型行星精密减速机安装尺寸图

FABZ090型行星精密减速机安装尺寸图

FABZ115型行星精密减速机安装尺寸图

FABZ142型行星精密减速机安装尺寸图

FABZ180型行星精密减速机安装尺寸图

FABZ行星精密减速机的性能参数说明

FABZ行星精密减速机的输出轴负载力

联系方式

深圳市蒲江机电有限公司


全国咨询热线:400-0838-618

传真号码:0755-86171515

QQ:1745396019

邮箱:tangxiaobing@szpujiang.com

地址:深圳市南山区南山大道1008号

百度地图API自定义地图

采购:FABZ行星减速机

  • *联系人:
  • *手机:
  • 公司名称:
  • 邮箱:
  • *采购意向:
  • *验证码:验证码

跟此产品相关的产品 / Related Products

台丽绕线控制器CNC-型
台丽绕线控制器CNC-型
台丽绕线控制器CNC-型又称为微电脑绕线控制器,是由台湾电丽电脑自动化有限公司出品,公司成立于1986年,其宗旨是促进各种产为生产设备的自动化、电脑化,提升生产效能,促进产业升级。
成大蜗轮减速机BSM型
成大蜗轮减速机BSM型
台湾成大精机工业股份有限公司自1960年在台湾创立,前身为成大机器厂,主要从事引擎之曲轴研磨及汽缸搪缸零件等工程,1971年正式生产"成大牌CHENTA"蜗轮减速机、齿轮减速机。成大CHENTA齿轮减速机取得ISO 9001国际品保认证,远销售国外,并在美国成立Channel power transmission Inc.分公司,建厂以来,成大减速机工厂结合专业人才,研发制造高品质产品,以"品质保证、交货准确、生产合理、行销国际"为追求目标,累积40多年的机械制造经验及诚信经营精神,以客户至上的服务态度,精益求精,与用户携手成长。
成大蜗轮减速机BCB刹车离合器型
成大蜗轮减速机BCB刹车离合器型
台湾成大精机工业股份有限公司自1960年在台湾创立,前身为成大机器厂,主要从事引擎之曲轴研磨及汽缸搪缸零件等工程,1971年正式生产"成大牌CHENTA"蜗轮减速机、齿轮减速机。成大CHENTA齿轮减速机取得ISO 9001国际品保认证,远销售国外,并在美国成立Channel power transmission Inc.分公司,建厂以来,成大减速机工厂结合专业人才,研发制造高品质产品,以"品质保证、交货准确、生产合理、行销国际"为追求目标,累积40多年的机械制造经验及诚信经营精神,以客户至上的服务态度,精益求精,与用户携手成长。

相关资讯

全国咨询热线:400-0838-618
传真号码:0755-86171515
QQ:1745396019
邮箱:tangxiaobing@szpujiang.com
地址:深圳市南山区南山大道1008号

网站制作:牛商网(股票代码:830770) 深圳市蒲江机电有限公司  版权所有 粤ICP备11012611号

蒲江

深圳市蒲江机电有限公司扫一扫
进入蒲江手机网站

蒲江扫一扫
关注蒲江公众号