传真号码:0755-86171515
QQ:1745396019
邮箱:tangxiaobing@szpu
jiang.com
地址:深圳市南山区南山大
道1008号
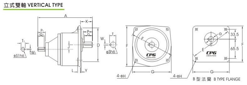
1、台湾晟邦齿轮减速机立式CVD-1型是一款入力出力都带轴的双轴型斜齿轮减速机,可以与联轴器、齿轮、链接、皮带、滚筒等设备联结使用。
2、台湾城邦齿轮减速电机适用于-10摄氏度至40摄氏度的温度,使用湿度在90%以下,适用海拔为1000公尺以下,特殊地区的特殊天气可添加防冻油。
台湾晟邦双轴型齿轮减速机立式CVD型的材质及大小说明:
晟邦双轴型卧式CVD-1,CVD-2,CVD-3,CVD-4,CVD-5,CVD-6型减速机,其出力轴直径分别为18mm,22mm,28mm,32mm,40mm,50mm;
立式CVD-1、CVD-2、CVD-3型齿轮减速机本体采用优质铝合金外壳;立式CVD-4、CVD-5、CVD-6型减速机本体皆采用铸铁材质FC-20;
台湾晟邦CPG双轴齿轮减速机立式CVD型的齿轮材质说明:
晟邦齿轮减速机立式CVD型的齿轮均经过精密滚齿加工,齿轮加工精度等级为2-3级;
立式双轴型CPG齿轮减速机的齿轮材质为S45C,调质至HRC21度,再经高周波热处理至HRC45-48度。
晟邦卧式出入力带轴CVD型齿轮减速机的齿轴工艺说明:
晟邦齿轮减速机立式CVD型的内部齿轴经SKIVING精密滚齿加工,齿轮精度等级为1-2级;
立式双轴减速机CVD型的齿轴材质为SCM21,调质至HRC21度,再经渗碳热处理至HRC58-61度;
城邦CVD型双轴齿轮减速机的内部齿轴材质为SCM4调质至HRC21度,再经高周波处理至50-53度。




全国咨询热线:400-0838-618
传真号码:0755-86171515
QQ:1745396019
邮箱:tangxiaobing@szpujiang.com
地址:深圳市南山区南山大道1008号
扫一扫
进入蒲江手机网站
扫一扫
关注蒲江公众号